Lingua
+39 0434 630602 - Supporto tecnico
Carrello 0
Il tuo carrello è vuoto

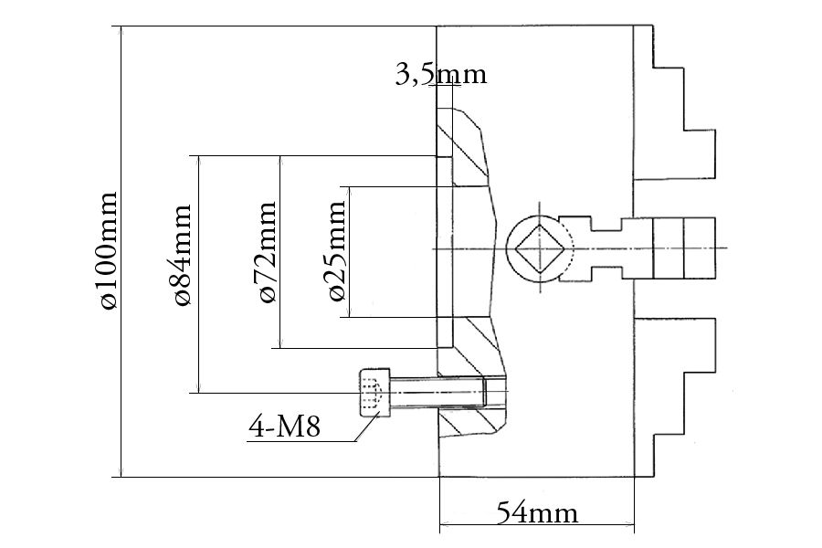
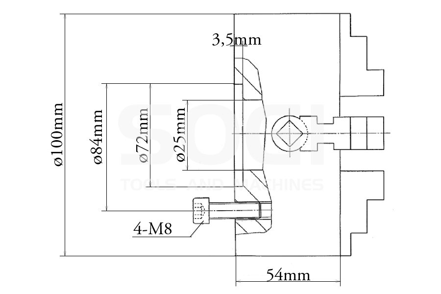
MANDRINO A 4 GRIFFE INDIPENDENTI PER TORNIO SOGI D 100 mm M1-250 M1-350

100SGI0533 SOGI

127,70
1

Descrizione

NUOVO MANDRINO A 4 GRIFFE INDIPENDENTI PER TORNIO SOGI DIAMETRO 100 mm M1-250 M1-350 M100/4

IDEALE PER TUTTI I TORNI:

SOGI M1-250; M1-350 ANCHE FERVI E VALEX

DIAMETRO 100 mm

FORO PASSAGGIO BARRA 25 mm.

ACCESSORI: BULLONI, FLANGIA DI FISSAGGIO, CHIAVE DI SERVIZIO

CARATTERISTICHE TECNICHE COME DA FOTO IN ALLEGATO

GARANZIA 24 MESI!!!!

Potrebbero interessarti anche

Tornio per metalli da banco SOGI M2-450D 210 x 510 motore Brushless avanzamenti automatici
Il tornio parallelo da banco SOGI M2-450D è una macchina utensile in grado di realizzare torniture (sia interne che esterne), filettature e forature di pezzi in metallo. Grazie alle sue intuitive funzioni ed agli ingombri ridotti (circa un metro di lunghezza) si presta ad un utilizzo hobbistico, oltre che professionale.Il tornio SOGI M2-450D vanta un motore brushless monofase da 1000 W: l'assenza di spazzole riduce notevolmente gli oneri legati alla manutenzione, rendendo questa categoria di motori particolarmente affidabile e di largo impiego nel mondo delle macchine utensili. La velocità di rotazione del mandrino, regolabile elettronicamente in continuo, è visualizzata sul display LCD integrato nel pannello di comando.Sul bancale prismatico munito di nervature di rinforzo, le guide sono state rettificate e temprate, trattamenti volti ad aumentare durezza e durabilità dell'acciaio. Le slitte che scorrono lungo le guide sono realizzate per mezzo di lavorazioni di precisione e sono regolabili tramite lardoni conici. Il mandrino, invece, poggia su appositi cuscinetti di qualità.Il tornio da banco 800SGI0304 ha avanzamenti longitudinali e trasversali automatici per l'esecuzione sistematica della lavorazione. La contropunta è regolabile per torniture coniche con scostamenti dell'ordine dei ± 5 mm. Servendosi del set di ingranaggi in dotazione e grazie alla presenza della vite madre, è possibile realizzare filettature Metriche e Withworth.In accordo con la normativa vigente in materia di sicurezza, il tornio M2-450D è corredato di tutti i dispositivi di protezione necessari a preservare la salute dell'operatore e dell'ambiente circostante (schermi protettivi in policarbonato e/o lamiera, interruttore generale e fungo di emergenza).A corredo della macchina, sarà fornita tutta la documentazione necessaria (manuale d'installazione, uso e manutenzione e dichiarazione di conformità CE-UE).Caratteristiche tecniche del tornio SOGI M2-450DAltezza punte: 105 mmDiametro tornibile sul banco max: 210 mmDistanza tra le punte: 510 mmCorsa contropunta cannotto: 40 mmPassaggio barra: 20 mmDimensione utensile max: 12 x 12 mmAttacco cono mandrino: CM 3Attacco cono contropunta: CM 2Filettature metriche (n° 17): 0,25 - 3,0 mmFilettature Withworth (n° 10): 8 - 24 TPIAvanzamento longitudinale: 0,045 - 0,126 mm/giroCorsa longitudinale del carrello: 520 mmCorsa trasversale della slitta: 125 mmVelocità mandrino: 100÷2000 giri/minPotenza motore: 1000 WAlimentazione elettrica: 230 V - 50 HzDimensioni di ingombro: 1000 x 600 x 400 h mmPeso netto: 100 KgPeso lordo: 125 KgIn dotazione:N° 1 Set di chiavi di servizioN° 1 Chiave per mandrinoN° 1 Set di brugoleN° 2 Contropunte fisseN° 1 Set di ingranaggi per filettatureN° 1 Mandrino autocentrante 3+3: Ø 100 mmGaranzia: 12/24 mesiOptional:Noni digitaliLunette (fisse e mobili)Caratteristiche e specifiche del prodotto soggette a modifiche senza preavviso. 
Non disponibile

Iscriviti alla newsletter

Iscriviti ora alla nostra newsletter, per rimanere sempre aggiornato e ricevere promozioni esclusive

Iscrizione avvenuta con successo
Iscrizione già presente nel sistema
Indirizzo e-mail non valido, si prega di verificare i dati immessi e riprovare.