Lingua
+39 0434 630602 - Supporto tecnico
Carrello 0
Il tuo carrello è vuoto

Divisore universale SOGI DIV-BS-2 per fresatrice e trapani-fresa con mandrino 200 mm e accessori

100SGI1000 SOGI

1299,90
1

Descrizione

Il divisore universale SOGI DIV-BS-2 è un optional dalle molteplici funzionalità pensato per un uso professionale con cui equipaggiare perlopiù fresatrici universali, ma anche trapani e alesatrici. Può essere impiegato tranquillamente anche in applicazioni di tracciatura e/o controllo, sia su asse orizzontale che verticale.

La testa a dividere DIV-BS-2 è l'accessorio per eccellenza quando le esigenze costruttive di un pezzo circolare richiedono l'esecuzione sistematica di divisioni della circonferenza in un numero di parti uguali. Inoltre, grazie a specifici perni ad incastro, l'attrezzatura può essere installata sulla tavola di una qualunque fresatrice universale per la lavorazione di particolari dal profilo elicoidale e per la realizzazione del profilo dei denti di un ingranaggio, il tutto con estrema precisione.

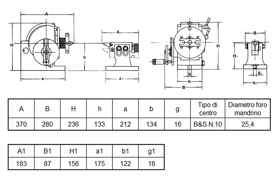
Le divisioni possono essere ottenute per via diretta, indiretta o differenziale: un disco graduato con 24 tacche incise consente l'esecuzione di 2, 3, 4, 6, 8, 12 e 24 divisioni dirette, mentre un sistema vite senza fine-ruota elicoidale (rapporto di trasmissione 1/40) esegue indirettamente fino a 50 divisioni. La testa può essere ruotata fino a 90°, mentre la tavola girevole può compiere rotazioni complete (360°).

La vite senza fine è realizzata in bronzo fosforoso indurito, una lega che le conferisce estrema durezza e resistenza all'usura; la maggior parte degli elementi mobili ruotano in bagno d'olio. Il mandrino in dotazione è del tipo autocentrante 3 + 3 griffe con diametro esterno di Ø 200.

Caratteristiche tecniche del divisore universale SOGI DIV-BS-2

  • Altezza punte (montaggio orizzontale): 133 mm
  • Rotazione tavola girevole: 360°
  • Rotazione testa: 90°
  • Rapporto di trasmissione: 1/40
  • Foro centrale anteriore: CM 4
  • Foro centrale posteriore: CM 3
  • Dimensioni cava (fissaggio su tavola): 16 mm
  • Quote mandrino: D = 200 mm; D1 = 165 mm; D2 = 180 mm; D3 = 65 mm; H = 75 mm; h = 5 mm; z = 3; d = M10
  • Campo di presa griffe interne: 4-85 mm
  • Campo di presa griffe esterne: 65 - 200 mm
  • Dimensioni imballo: 540 x 470 x 360 h mm
  • Peso lordo: 90 Kg

In dotazione

  • Disco divisore A: 15 - 16 - 17 - 18 - 19 - 20
  • Disco divisore B: 21 - 23 - 27 - 29 - 31 - 33
  • Disco divisore C: 37 - 39 - 41 - 43 - 47 - 49
  • N° 12 Ingranaggi di trasmissione
  • N° 1 Controtesta con contropunta fissa montata
  • N° 1 Contropunta fissa
  • N° 2 Bracci per ingranaggi
  • N° 1 Albero
  • Garanzia di 24 mesi

Iscriviti alla newsletter

Iscriviti ora alla nostra newsletter, per rimanere sempre aggiornato e ricevere promozioni esclusive

Iscrizione avvenuta con successo
Iscrizione già presente nel sistema
Indirizzo e-mail non valido, si prega di verificare i dati immessi e riprovare.